用一个开关控制三个灯哪位师傅能否给我详细解释下这几个网络的含义谢谢
问题补充:
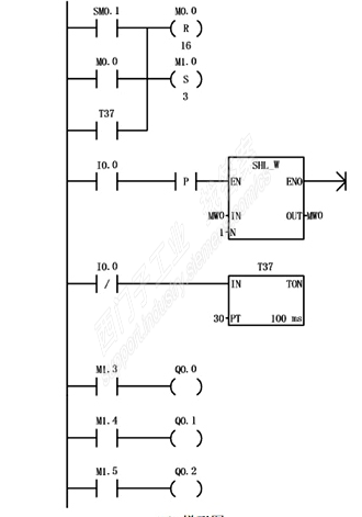
要求开关闭合时灯亮,开关断开时灯灭。如果在3s内每闭合一次开关,亮的灯数1个-2个-3个-2个-1个-0个循环;如果开关断开的时间超过3s,再闭合开关,重复上述过程。
图片说明:
ea3b5c8f4ddb30f5cd30cb6e3bfb7b97



最佳答案
没有图片
渔明鱼工,厉害,没看到图片都能猜出来程序大体什么样子的
补充:
看图说明
感觉说的比较明白了
你可以看手册:
S7-200可编程序控制器系统手册
htTPs://suppoRT.induSTry.siemens.com/cs/cn/zh/view/1109582
了解左移指令
西门子高字节在低位,
MW0的排序是MB0MB1,所以左移之后,M0.0会通
图片说明:

提问者对于答案的评价:
谢谢我是初学者希望我能坚持下去呵呵
专家置评
已阅,最佳答案正确。