具体内容见我发的图片
图片说明:
ac788cd5ac118ac21a4608ae3ee3D2ea
最佳答案
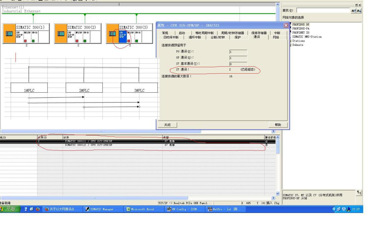
你说的是正确的,他们每个CPU都占用两个通讯资源。不管是200300400200SMART同理
如图
f70e7b913c10CE7e5d419d1BF2e11074
提问者对于答案的评价:谢谢你
专家置评
已阅,最佳答案正确。
微信 分享