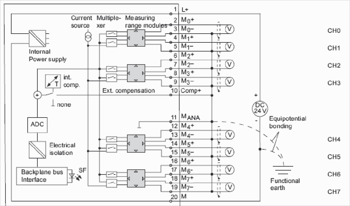
如图所示传感器,24V的,接入SM331应该为2线制还是4线制?我设置为4线制时SM331模块SF灯亮,在线诊断说输入参数分配有误,我是1接V+,2接M+,3接M-和V-,模块上10,11,20都有接在一起的。请问我这样的情况是哪里出问题了?麻烦大师解答一下
问题补充:
补充一下,这个是激光传感器,输出电流4-20MA,PNP的,应该怎么接线
图片说明:
e880aFC80339b03f321d5651988c3126
最佳答案
不论2线制还是4线制,接线都是接2根线的。输入类型分为2线制或4线制,你的这个类型是4线制。
图片的1、3引脚接DC24V,引脚1、2接入模拟量模块的通道端子(M+,M-)。
图片说明:
ccb894f8ebbbBFa65bcbe3ea8551e4c4
提问者对于答案的评价:
原来我那个接线是对了,估计你这个也可以