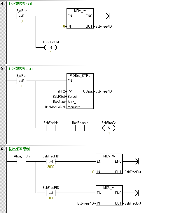
用PID控制压力,调试的时候有时候正常pid有输出;但是有时候设定值跟实际值相差很大的时候pid都没有输出,当改动pid参数pid又有输出了。不知道什么原因请教下,还有为什么改动pid参数pid会有输出。不知道什么原因请教下,谢谢
图片说明:

0e036fb0c91d7b9a63f45a4c8a0e14b1
最佳答案
必须用SM0.0来使能PID子程序,SM0.0后不能串联任何其他条件,而且也不能有越过它的跳转;如果在子程序中调用PID子程序,则调用它的子程序也必须仅使用SM0.0调用,以保证它的正常运行
提问者对于答案的评价:
非常感谢!
专家置评
已阅,最佳答案正确。