问题补充:
通详细一点吗?我按照手册上的模版做的还是不行的,问题是第一次是能通上的,但还快就会出故障,最好能做一个案例,谢谢
图片说明:
b7CE0edbae7784a34f06d957391535c2

最佳答案
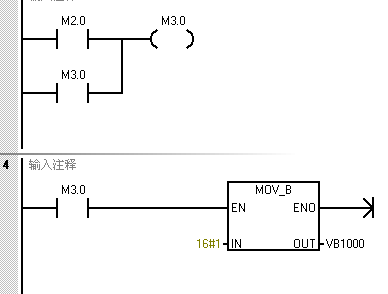
1.根据你的程序,M2.0是启动,启动之后,将16#1赋给vb1000,通过MODBUS传给40001,达到启动的目的么?但是怎么没有给定频率?
2.感觉楼上说得没道理,作MODBUS从站时,才需要使用SM0.1进行初始化,主站不需要的吧,就是使用SM0.0给使能信号
3.建议将M2.0换成SM0.5,每秒钟给定一个上升沿信号
提问者对于答案的评价:
虽然还有问题,但你讲的很有道理,很对!给你最佳
专家置评
已阅,最佳答案正确。