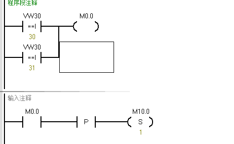
各位高手,你们好,我用个比较指令加上升沿触发一个置位,后面的那个比较就触发不了例如:vw100==30,vw100=31,上升沿触发置位m10.0,当vw100==31触发不了,如图所示,请问这是为什么?应该如何处理?
问题补充:
你好!大师,我在后面加了线圈,还是不能实现
图片说明:



最佳答案
你这个的问题在于前面的那个SM0.0与比较指令的配合。
沿脉冲的产生需要一个“跳变”,当VW30=30或VW30=31时,不可能产生跳变了。所以,2个比较指令的任何一个只能一次触发M10.0。除非cpu重新启动一次。
解决的办法:
变更SM0.0为其它条件,或者将VW30数据做一点处理,如数据变更时,必须回零后再采样数据。
提问者对于答案的评价:
yyiyuezuijia
专家置评
参考@迷失中原的回复