这俩条指令是什么意思。帮我解答一下。谢了
图片说明:
74010f58d9dc033eeb3b0e02CEe1e10b 0fde5a452a0e0c6ac0576BF186c6c6c6
最佳答案
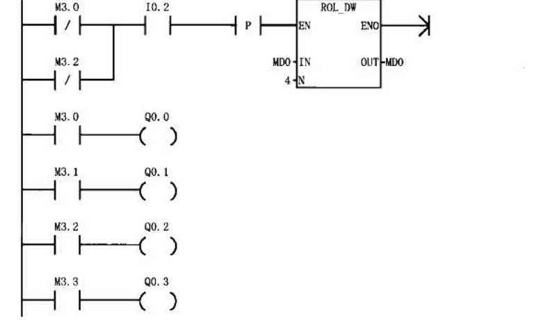
图1:
SHRB,寄存器移位指令。
该指令在梯形图中有3个数据输入端:DATA为数值输入,将该位的值移入移位寄存器;S_BIT为移位寄存器的最低位端;N指定移位寄存器的长度。每次使能输入有效时,整个移位寄存器移动1位。
移位寄存器长度在指令中指定,没有字节型、字型、双字型之分。可指定的最大长度为64位,可正也可负。
图2:
循环左移和循环右移指令。根据所循环移位的数的长度分别又可分为字节型、字型、双字型。
循环移位特点:
移位数据存储单元的移出端与另一端相连,同时又与SM1.1(溢出)相连,所以最后被移出的位被移到另一端的同时,也被放到SM1.1位存储单元。例如在循环右移时,移位数据的最右端位移入最左端,同时又进入SM1.1。SM1.1始终存放最后一次被移出的位。
提问者对于答案的评价:
那在图1中M3.0M3.1M3.2M3.3为什么要用这几个,用其他的可以不可以,例如:M0.0M0.1M0.2M0.3
最佳答案作者回复:
当然可以,只是需要与循环指令的指定复位值对应起来。