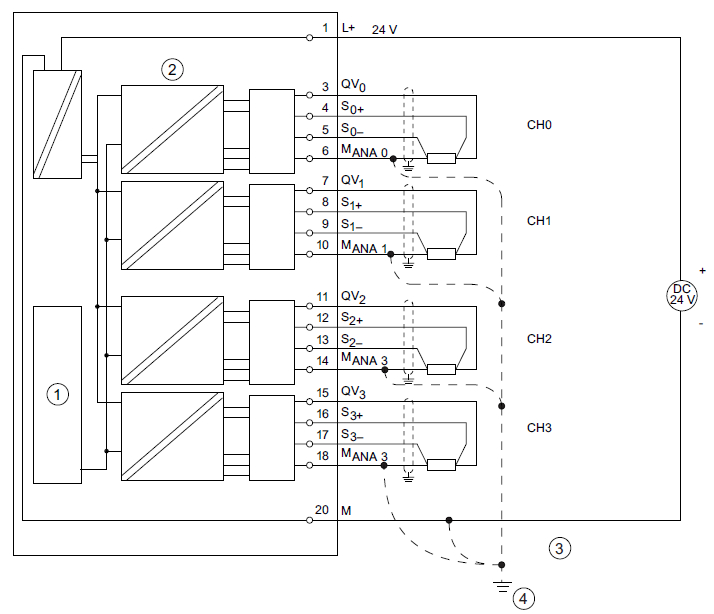
AO模块输出1-10v信号,并且由DO(relay8路)模块进行电压信号线的通断控制。不加中间继电器可以实现么,二楼贴图。
图片说明:
92cCE4f30c82e383d32FCc09e59435022b4f6a4d7a9c3bc3ecdd2660ee83eefb f40768cDAaa8055f06f064227e00e530
最佳答案
不行。因为你无法将DO模块的M端子在外部分开,不分开通道就无法独立控制了。
提问者对于答案的评价:谢谢
微信 分享