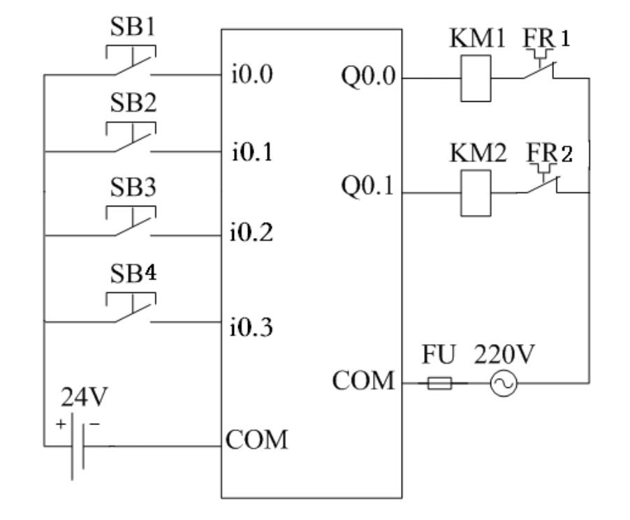
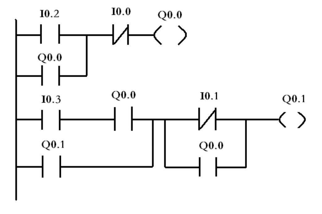
二台电动机顺序启动,分别停止系统设计
控制要求:两台电动机分别设置启动与停止按钮,按钮SB1为A电动机启动按钮,SB2为A电动机停止按钮;按钮SB3为B电动机启动按钮,按钮SB4为B电动机停止按钮;只有在A电动机启动后B电动机才能启动。按SB2按钮A电动机停止,按SB4按钮B电动机停止。
设计要求:(1)对I/O口进行分配
(2)画出梯形图,编写助记符
(3)绘制硬件电路图
最佳答案
你所说的都是基础入门的内容,书本上对这些讲解的很多,建议多多查阅一下。
鉴于你是第一次提问,有点临阵磨枪的意思,给你找了一点资料请参考。
电机的顺序启动控制,主要有三类:1.顺序启动,同时停止。2.1.顺序启动,顺序停止。3.顺序启动,逆序停止。
你所表述的控制不是太清楚,下面以顺序启动顺序停止介绍。
控制要求:
电机1启动,电机2才能启动,若电机1不启动,则电机2无法启动。
电机1停止后,电机2才能停止,若电机1不停止,则电机2无法停止。
具体内容请参考上传图片
图片说明:


591d4a5f341c0BF89cd33c72f148932dae117b7fb509e9b405565ccf95d5e973
提问者对于答案的评价:
很详细啊
专家置评
已阅,最佳答案正确。