当前位置: 主页 > PLC控制

自由口通讯程序求解

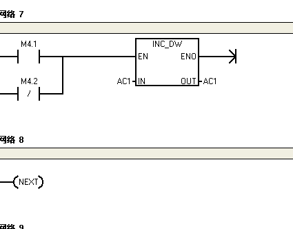
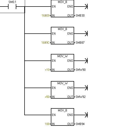
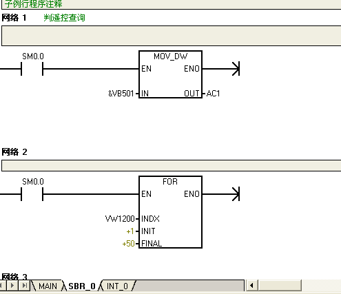
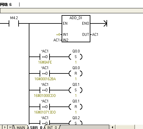
本人在学习别人写自由口通讯程序时,再子程序中看到有循环的功能.本人不理解为啥要出现FOR(NEXT)这一段指令呢。他们之间的程序不是一直循环执行,执行到设定的滞后就停止工作啦吗?如果停止啦,那还怎么去接收数据啊,总不能就是接收哪里设定的50次吧!
哪位能帮忙给详细简答一下。

图片说明:

自由口通讯程序求解8ad95DA6eaa3a9fe0b337076edc6a181 自由口通讯程序求解自由口通讯程序求解 自由口通讯程序求解自由口通讯程序求解 自由口通讯程序求解自由口通讯程序求解 自由口通讯程序求解自由口通讯程序求解 自由口通讯程序求解自由口通讯程序求解 自由口通讯程序求解自由口通讯程序求解

最佳答案

参考:《S7-200自由口通讯的实现应用》
htTP://blog.163.com/feng_xinqi/blog/STatic/248150272011723928127/

提问者对于答案的评价:
谢谢

专家置评

已阅,最佳答案正确。

  • 关注微信

猜你喜欢

微信公众号