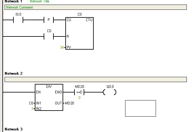
1,进行两组循环,第一组为3的倍数(如图1所示),第二组为2的倍数,第一组完成后执行第二组,第二组完成后再执行第一组以此循环;
2、图中程序如何简化
问题补充:
1、如何实现第一组与第二组的交替循环(第一组完成后执行第二组,第二组完成接着执行第一组如此循环)
2、如果用S7-300指令如何实现
图片说明:


最佳答案
因为没有办法模拟,所以你可以调试看看,具体程序见图:
图片说明:
1ee5f7DA1c33d6e1b055aadfa9bb3aCE
提问者对于答案的评价:
补充的内容该怎么解决
专家置评
已阅,最佳答案正确。
补充问题:做个顺控,或两个子程序,轮询调用。