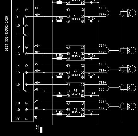
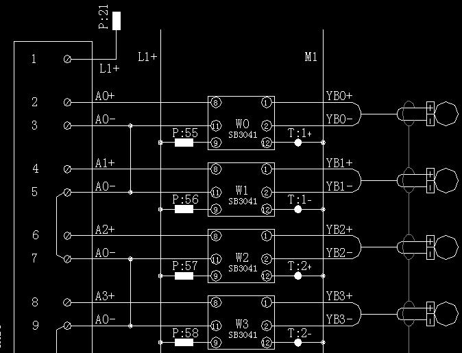
目前正在设计一个PLC系统,准备用2个一样的PS3075A并联组成冗余电源,整个系统就只采用这一组24V冗余电源,系统是CPU315后面带了以太网模块AIAODIDO模块,还有一个ET200从站,我准备系统里只要用到24V的都从这个冗余电源接出,包括CPU、CP模块、AIAODIDO模块,ET200的供电,隔离栅的供电等。想请问下高手,这样的供电方案好不好?有没有弊端,或者有没有更安全可靠的供电方案?24V的M侧要不要接地?还有我用的AI模块是7KF02的,所有的外部信号为4-20MA信号,通过隔离栅之后进入AI模块的通道,想请问每个隔离栅的信号“_”端和AI模块的MANA端连接起来后还要不要和CPU的M端连接起来,然后需要接地吗?假如要接地的话,那么24V“-”的接地可不可以和仪表屏蔽线屏蔽层接地,电气接地等共用?
问题补充:
容量不够的话,可以选更大的电源这个没问题,因为需要用两个电源来做冗余电源,所以不想对CPU供电用一组冗余电源,对模块供电又用一组,对ET200从站还要用一组,对隔离栅还要用一组,因为整个系统供电全部要求24V冗余,
图片说明:




最佳答案
———首先用两个5A电源做冗余,想给整个系统的模块供电有点吃紧
一般常见的做法是,一个机架上的模块可以用一个电源供电,如果是扩展机架,一般也单独再配电源比你说的ET200站
————–外部隔离栅的电源可以单独配直流电源模块一般的直流电源就可以,但是有条件可以用西门子专用STOP电源
————–24V电源模块上的接线端子M端和地端子有个小连接片是短接的这说明是要接地的,但是接地要很讲究,是专门的接地线,而不是随便和大地柜体相连接的,防止外部强电窜入,比如电焊啊等大电流
————–另外24V-极严格意义来说不是地所以也不要和地相接
————–CPU电源的M端和模块接线端子上的MANA不需要接一起
—————问题补充———
你这是什么行业电源非得做冗余
用你所说的扩大容量理论上可以,但是万一外部扩展站有外部强电窜入你整个系统就废了分开来做最多只是瘫痪一个站把所有的鸡蛋放一个篮子里是不可取的!!!
提问者对于答案的评价:
谢谢!
专家置评
已阅,最佳答案正确。补充一点,需要添加反向二极管,防止电源反向击穿。