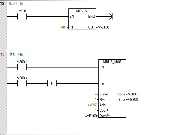
我用200SMART和赫茨进行MODBUS通讯,赫茨变频器和英威腾变频器差不多,参数什么的都差不多,地址1000H是通讯控制命令(0001H是正转,0002H是反转),2000H是通讯频率设定,3004H是输出电流,3003H是输出电压,变频器参数设置P0.01=2(通讯指令通道),P0.07=7(A频率指令选择),PC.01=3(通讯波特率9600)PC.02=0(校验设定,设置无校验),PC.03=200MS(通讯应答时间),程序如下,但是无法正常通讯,通讯报警参数是6,只能变频器风扇动作,变频器不动作。
图片说明:









最佳答案
变频器风扇可以控制,说明了:
1.波特率正确;
2.奇偶校验正确;
3.modbus地址正确;
4.写参数正确;
需要检查的是,风扇可以控制开,也可以控制关?
变频器参数联锁,正转命令,频率命令,是否同时发送过去?
提问者对于答案的评价:
原因在一点一点查找!
专家置评
已阅,最佳答案正确。
首先程序中只使用一个MSG指令,单独写一个数据,看错误代码;如果多条指令,需要注意指令之间的轮询。且注意变频器侧的参数设置。